LDSJ / 8-800-250-14-34
ldsj-rus@mail.ru
  • /
  • /

ВИЛЫ ДЛЯ ВИЛОЧНЫХ ПОГРУЗЧИКОВ: НЕ ПРОСТО МЕТАЛЛ — А КРИТИЧЕСКИЙ ЭЛЕМЕНТ ЭФФЕКТИВНОСТИ

Введение
Вилы для вилочных погрузчиков — это ключевой рабочий орган техники, от которого напрямую зависит безопасность, производительность и ресурс всей машины. Если вы ищете вилы для погрузчика с гарантированной прочностью, точной геометрией и максимальным сроком службы, важно понимать: экономия на вилах = риск поломок, простоев и аварий.
Современные вилы — это не просто металлические балки. Это высоконагруженный элемент, рассчитанный на постоянные динамические нагрузки, удары, износ и деформации. Поэтому качественные вилы производятся из легированных сталей с контролируемой термообработкой, соответствуют международным стандартам (ISO, FEM) и проходят строгий контроль качества.

ПОЧЕМУ ВАЖНО ВЫБРАТЬ ПРАВИЛЬНЫЕ ВИЛЫ
Неправильно подобранные вилы приводят к:
  • потере грузоподъемности погрузчика
  • ускоренному износу каретки
  • деформации при нагрузке
  • риску падения груза
  • штрафам за нарушение техники безопасности
Правильные вилы — это:
✔ стабильная работа без перегрузок
✔ точное соответствие грузоподъемности
✔ минимальный износ пятки и рабочей зоны
✔ безопасность оператора и груза

ОСНОВНЫЕ ВИДЫ ВИЛ ДЛЯ ПОГРУЗЧИКОВ
Стандартные вилы (паллетные)
Подходят для большинства складских задач. Используются для работы с поддонами, коробками, грузами на европаллетах.
Удлиненные вилы
Применяются при работе с габаритными грузами, длинномерными материалами и нестандартными паллетами.
Усиленные вилы (heavy-duty)
Рассчитаны на повышенные нагрузки и интенсивную эксплуатацию — производство, металлургия, стройка.
Суженные / специальные вилы
Для специфических задач: рулоны, бочки, нестандартные грузы.


КЛЮЧЕВЫЕ ПАРАМЕТРЫ ВЫБОРА
При покупке вил для вилочного погрузчика важно учитывать:
  • Грузоподъемность (Q) — должна соответствовать или превышать номинал погрузчика
  • Сечение вилы (ширина × толщина) — влияет на прочность и износ
  • Длина вил — подбирается под тип груза
  • Класс каретки (ISO/FEM) — 2A, 3A, 4A и т.д.
  • Центр нагрузки — критичен для сохранения устойчивости
Конструкция вилы вилочного погрузчика
Вила вилочного погрузчика представляет собой цельнокованый или сварной силовой элемент Г-образной формы, предназначенный для захвата, подъёма и транспортировки грузов. Конструкция вилы разработана с учётом распределения изгибающих нагрузок и включает несколько ключевых элементов, каждый из которых выполняет строго определённую функцию.
Как правильно установить захват для рулонов

Рис.1 — Основные элементы конструкции вилы вилочного погрузчика и их обозначения

Описание

Описание

1

Голова вилы (узел крепления к каретке)

2

Спинка вилы (вертикальная несущая часть)

3

Центр нагрузки (расстояние до центра тяжести груза)

4

(Q) нагрузка / груз

5

Ширина вилы

6

Толщина вилы

5 × 6

Сечение вилы (ширина × толщина)

7

Лопасть вилы (рабочая часть)

8

Длина лопасти

9

Сужение (конусность вилы)

10

Носок вилы

11

Пятка вилы (зона максимальных напряжений)

12

Зона износа

13

Внутренняя часть пятки

14

Нижний крюк (направляющий)

15

Верхний крюк (несущий)

14 + 15

Подвеска вилы (система крепления)

16

Высота спинки

17

Рычаг фиксации

18

Пружина

19

Болт

20

Штифт

17–20

Механизм фиксации / позиционирования

21

Вал / ось

22

Проушина / втулка

23

Маркировка вилы

Основные типы вил
ISO — это основной мировой стандарт крепления вил к каретке погрузчика (ISO 2328). Сегодня это общемировой стандарт для всех современных вилочных погрузчиков.
Крепление осуществляется через крюковую систему (hook-on type) Это позволяет быстро снимать и менять вилы или навесное оборудование
Одной из ключевых конструктивных особенностей ISO-подвески вил является наличие фаски под углом 20° на верхнем крюке вилы (рис.2)
Дополнительно стандарт предусматривает разделение на классы ISO1–ISO4, каждый из которых соответствует определённому диапазону грузоподъёмности и имеет строго заданные размеры крюков и посадочных элементов.
Внутри каждого класса существуют исполнения A и B, которые отличаются расстоянием (Q) между нижним крюком и нижней частью вил (рис.3). Все ключевые размеры, допуски и параметры подвески строго регламентированы международным стандартом ISO 2328, что гарантирует корректную передачу нагрузки, отсутствие люфтов и безопасную работу оборудования.
Как правильно установить захват для рулонов

Рис.2 Стандартные вилы вилочного погрузчика с верхним и нижним крюком для ISO-крепления (ISO 2328)

Как правильно установить захват для рулонов

Рис.3 — Геометрия ISO-подвески вил

Как правильно установить захват для рулонов

Рис. 4 Соответствие ISO-класса крепления вил грузоподъёмности погрузчика и геометрическим параметрам (P, Q)

Грузоподъемность погрузчика (кг, ЦТ)

P, мм

Q, мм

Класс крепления

до 999 (ЦТ 400 мм)

331

76

1A

до 999 (ЦТ 400 мм)

331

114

1B

1000–2500 (ЦТ 500 мм)

407

76

2A

1000–2500 (ЦТ 500 мм)

407

152

2B

2501–4999 (ЦТ 500 мм)

508

76

3A

2501–4999 (ЦТ 500 мм)

508

203

3B

5000–8000 (ЦТ 600 мм)

635

127

4A

5000–8000 (ЦТ 600 мм)

635

254

4B

Вилы системы TWS (Terminal West System)
Рабочий цикл оборудования выглядит следующим образом:
1. Погрузчик подъезжает к стеллажу.
2. Машина останавливается в проходе.
3. Поворотная каретка вил разворачивает вилы в сторону паллеты.
4. Каретка перемещается к грузу.
5. Вилы вводятся в поддон.
6. Выполняется подъём и перемещение паллеты.
Таким образом, трёхсторонний вилочный захват позволяет погрузчику работать в условиях ограниченного пространства без разворота машины.
Как правильно установить захват для рулонов

Рис.5 Вилы вилочного погрузчика с быстросъёмным креплением (Terminal West / TWS)

Вилы системы TWS (Terminal West System)
Terminal West (TWS) — это промышленный стандарт крепления вил для тяжёлых и сверхтяжёлых вилочных погрузчиков (обычно от 10–16 т и выше), широко применяемый в портовой логистике, металлургии и работе с негабаритными грузами.
Конструктивно система представляет собой быстросъёмное подвесное крепление, обеспечивающее:
  • ускоренную замену вил без демонтажа каретки
  • повышенную механическую прочность
  • устойчивость при ударных и динамических нагрузках

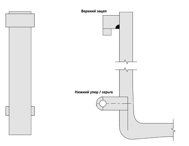
Ключевые элементы системы:
Верхний зацеп (Upper Hook)
  • Несёт основную нагрузку
  • Устанавливается на верхнюю балку каретки
  • Работает на срез и изгиб
Нижний упор / серьга (Lower Lug / Bolt)
  • Фиксирует вилу снизу
  • Предотвращает раскачивание и смещение
  • Часто выполнен в виде болта или пальца
Раздельные держатели (Independent carriers)

  • Каждая вила крепится независимо
  • Упрощает регулировку расстояния между вилами
По сути, это усиленная альтернатива ISO-подвеса, адаптированная под большие нагрузки
Как правильно установить захват для рулонов

Рис. 6 Схема крепления вил Terminal West (TWS)

Вилы осевого типа (pin type)
Вилы осевого типа (Pin-type forks) — это вилы, устанавливаемые на машину через проушину (глазок), которая надевается на несущий вал / палец. Крепление работает как шарнирное соединение, обеспечивая ограниченную подвижность вил. Главным образом, они используются на больших погрузчиках и строительных машинах.

Ключевые преимущества
1. Плавающая функция (Плавающая функция)
  • вила может немного повернуться
  • компенсирует неровности поверхности
  • ударные нагрузки на освещение
2. Работа в тяжёлых условиях.
  • эффективна на грунтах, стройплощадках, неровностях
  • стойкость к загрязнениям (грязь, песок)
3. Повышенная надежность
  • минимальное количество сложных элементов
  • высокая механическая прочность
Как правильно установить захват для рулонов

Рис.7 Вилы осевого типа (Pin-type forks)

Как правильно установить захват для рулонов

Рис. 8 Вилы осевого типа (Pin-type forks) — конструкция и варианты крепления

Вилы с болтовым креплением (вилы с отверстиями)
Вилы с болтовым креплением применяются на тяжёлых вилочных погрузчиках и специализированном навесном оборудовании, включая мультипаллетные захваты в индустрии напитков, где требуется жёсткая и точная интеграция с рабочим органом машины. Конструктивно они оснащаются отверстиями в спинке, через которые осуществляется крепление к каретке или монтажной плите с помощью высокопрочных болтов, формируя неподвижное соединение без люфтов. Вместе с тем наличие отверстий неизбежно приводит к локальной концентрации напряжений (notch effect), что снижает несущую способность вил по сравнению со стандартными решениями аналогичного сечения. По этой причине такие вилы требуют обязательного инженерного расчёта и точного соответствия параметрам конкретной машины и режима эксплуатации.
Как правильно установить захват для рулонов

Рис.8 Вилы с болтовым креплением (Bolt-on forks)

Вилы без подвески (заготовки под индивидуальную доработку)
Вилы типа Blank forks представляют собой заготовки, поставляемые без элементов подвески и крепления, предназначенные для последующей адаптации под конкретное оборудование или навесные системы. Такие вилы проходят полный цикл формирования геометрии и термической обработки, обеспечивая требуемую прочность и структуру металла, однако не имеют крюков, проушин или монтажных отверстий. Ключевое преимущество blank-вил заключается в гибкости проектирования: производитель или сервисный центр может точно задать расположение крепёжных элементов, геометрию посадочных зон и интеграцию с конкретной машиной. При этом любые последующие операции, такие как сверление, сварка или механическая обработка, должны выполняться с учётом напряжённого состояния материала и требований стандартов (в частности ISO 2330), поскольку вмешательство в структуру может привести к локальной концентрации напряжений и снижению несущей способности.
Таким образом, Blank forks — это инженерная база для создания специализированных вил, где конечные характеристики определяются не только исходной заготовкой, но и качеством последующей доработки, точностью геометрии и соблюдением технологических процессов.
Как правильно установить захват для рулонов

Рис.9 Вилы без подвески ( Blank forks)

ПРИЗНАКИ КАЧЕСТВЕННЫХ ВИЛ
  • точная геометрия без перекосов
  • равномерная закалка металла
  • отсутствие микротрещин
  • усиленная пятка (зона максимальной нагрузки)
  • надежная подвеска (верхний и нижний крюк)
КОГДА НУЖНО МЕНЯТЬ ВИЛЫ
Эксплуатация изношенных вил — прямое нарушение безопасности.
Замену необходимо производить, если:
  • износ пятки превышает 10% толщины
  • есть трещины или деформация
  • вилы «играют» под нагрузкой
  • нарушена параллельность
Частые вопросы
Какие вилы подходят для моего погрузчика?
Вилы подбираются по классу каретки (ISO/FEM), грузоподъемности и длине. Наиболее распространенные классы — 2A, 3A и 4A.
Как определить износ вил погрузчика?
Если толщина пятки уменьшилась более чем на 10% от номинала — вилы подлежат замене. Также критичны трещины и деформация.
Какая длина вил лучше?
Стандарт — 1150–1200 мм. Для длинных грузов используют вилы 1500–2400 мм и более.
Можно ли ставить более длинные вилы?
Да, но при этом смещается центр нагрузки, что снижает фактическую грузоподъемность погрузчика.
Чем отличаются усиленные вилы от стандартных?
Усиленные вилы имеют большее сечение и рассчитаны на повышенные нагрузки и интенсивную эксплуатацию.
Какие вилы лучше для улицы и стройки?
Рекомендуются усиленные (heavy-duty) вилы с увеличенной толщиной и износостойкой пяткой.
Подходят ли вилы к любому погрузчику?
Нет. Важно совпадение по классу каретки и геометрии крепления.
Сравнение вил для вилочного погрузчика — что выбрать?
Выбор вил напрямую влияет на эффективность склада.
Стандартные вилы подходят для 80% задач, но при интенсивной работе или тяжелых грузах они быстро изнашиваются. В таких случаях оптимально использовать усиленные вилы.
Для нестандартных задач (длинномер, рулоны, бочки) применение специализированных вил позволяет сократить время операций и снизить нагрузку на погрузчик
Тип вил Особенности Преимущества Где используются
Стандартные Классические размеры, универсальное применение Оптимальная цена, универсальность, быстрый подбор Склады, логистика, паллеты
Удлиненные Длина от 1500 мм и более Работа с длинномерными грузами, меньше операций Стройка, пиломатериалы, металл
Усиленные (Heavy-duty) Увеличенное сечение, усиленная пятка Высокая прочность, долговечность, работа в тяжелых условиях Производство, карьеры, тяжелые грузы
Суженные / специальные Нестандартная форма и размеры Работа с нестандартными грузами, высокая точность Бочки, рулоны, спецгрузы
ВЫВОД
Вилы для вилочных погрузчиков — это не расходник, а стратегически важный элемент. Если вы хотите, чтобы техника работала без простоев, а склад — без аварий, выбирайте только качественные вилы с правильными характеристиками.

Ищете вилы под свою модель погрузчика?
Подбор под задачу, расчет нагрузки и рекомендации — это то, что реально влияет на результат, а не просто цена.